Hellinterface 1989: Filterkonverter für die Betriebsart HELL. Hier der Schaltplan Teil 1 und Teil 2, sowie ein Ausdruck eines empfangenen Signals.
I/O-Rack Universal Messanschluss mit A/D- und D/A-Wandlern an einen PC mittels einer I/O-Karte (ISA-Bus 8 Bit).
Druckerinterface HP28S 1989: Infrarot-Interface zum Ausdruck von Programmen und Bildern des Taschenrechners HP28S mit einem IBM-Kompatiblen PC (MS-DOS) und einem IBM-Proprinter II.
Hier der Schaltplan, der Quelltext des Assembler-Programmes für MS-DOS und ein Ausdruck.
CW-Geber 1989: Elektronische Schaltung zur periodischen Wiedergabe meines Rufzeichens in Morsecode (CW). Aufgebaut mit einem EPROM, Taktgebern und einem Zählerbaustein. Hier der Schaltplan, die DIP-Schalter-Stellungen und ein kleines Video zur Demonstration.
Diplomarbeit Dieses Gerät war Inhalt meiner Diplomarbeit 1991. Mit Siemens SAB 80C535-Prozessor.
Tueroeffner-Interface 1993: Entwicklung und Bau eines Schalt-Interface für einen PC um damit die Türöffner der Laborräume an der Berufsakademie Außenstelle Tettnang vom zentralen Server aus betätigen zu können.
Richtfunkstrecke 1994: Entwicklung einer 3 MBit/s Vollduplex Richtfunkstrecke auf 2,4 GHz.
Das WLAN (IEEE 802.11b) wurde erst 1999 normiert. Die umgebaute Netzwerkkarte war eine ISA-Einsteckkarte in einen 386- später 468-PC mit NEAT-Chipsatz. Nur mit diesem Chipsatz war es möglich, das notwenige BUS-Timing einzustellen. Als Betriebssystem war nur Linux möglich, da die Treiber für die Netzwerkkarte ebenfalls abgeändert werden mussten.
Um das nun richtig einordnen zu können: Das war meine "Auffahrt" auf die "Daten-Autobahn" 1994 in Tettnang.

Beim Abgleich der Helixantennen habe ich meinen inzwischen verstorbenen Freund Gunthard Kraus kennengelernt.

2026: Die Helixantennen werden nach über 31 Jahren als Referenzantennen zur Gewinnermittlung einer YATT-Helixantenne mit zwei Windungen (QO-100) genutzt und dabei nochmals genau vermessen.
Sprachausgabe HAM4 1995: Entwicklung einer Sprachausgabe für einen HAM-IV Rotor um einen blinden Funkfreund in Indien zu unterstützen. Mit Video zur Vorführung.< /TD>
Soundkarteninterface Soundkarten-Interface um den PC mit dem Funkgerät zu koppeln. Die NF wird dabei galvanisch getrennt um eine Brummschleife zu verhindern. Das PTT-Signal wird mit einem Optokoppler übertragen.
70cm-Yagi Eigenbau Bau einer 10 Element Yagi für 430-440 MHz. Die Antenne wurde für den 9600 Baud-Zugang von DL0BAT über DB0BAX (Wittoh) gebaut und benutzt.
T7F 1998: Aufbau und Abgleich von mehreren 70cm-Packetradio Funkgerätebausätzen T7F. Hier die Beschreibung. Mehr Informationen gibt's auf der Webseite von DF2FQ.
70cm-Duplexer Juni 1999: Abgleich einer Duplexweiche für den Testbetrieb einer DVMS-Sprachmailbox am Relais Bussen (DB0RZ).
Messung an Duplexer 2001: Abgleich einer Duplexweiche für das damals geplante Relais/Spachmailbox DB0FNB in Friedrichshafen.
Tiefpass 2001: Messungen an einem KW-Tiefpassfilter (KENWOOD LP-30A)
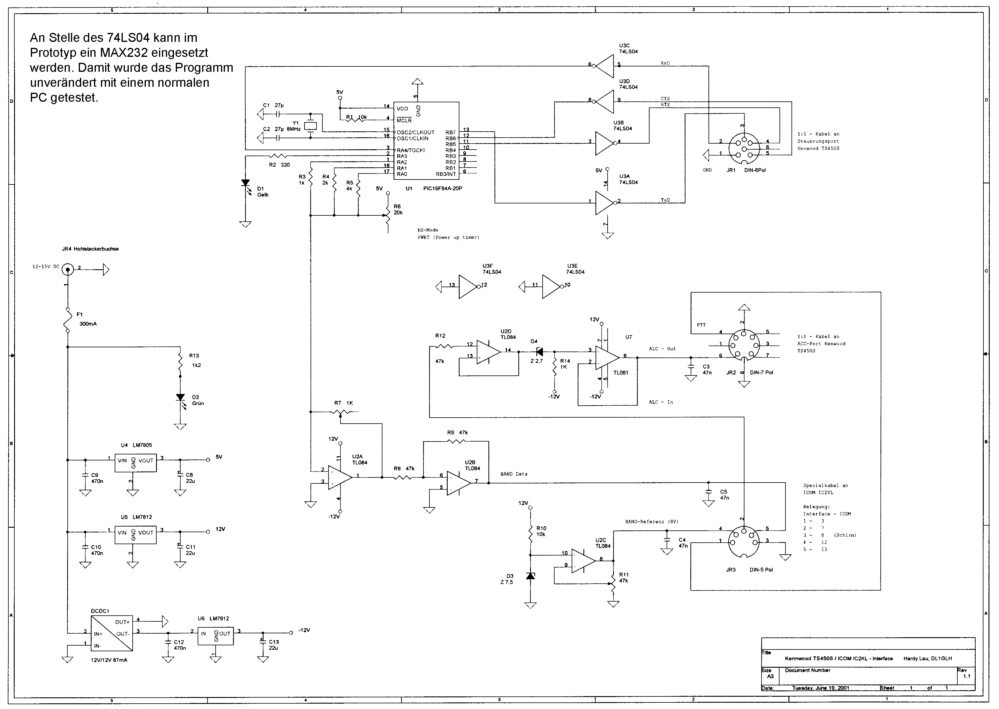
Interface 2001: Entwurf und Aufbau eines Interface zum Anschluss einer ICOM Endstufe (IC2KL) an einen Kenwood Tranceiver (TS450S)
(Automatische Bandwahl, ALC-Anpassung)
, Frontansicht, Rückansicht, Schaltplan und Quelltexte (PIC16-ASM, ZIP). Das Interface wurde bis Anfang 2015 bei DF0DOX eingesetzt.
4-Element Yagi Bau einer 4 Element Yagi für das 70cm-Band mit Messung der Anpassung. (Die 1/4-λ-Anpassung ist noch nicht optimal abgestimmt). Messung der Anpassung.
TXD-Verzögerung TXDelay-Verzögerungsschaltung für einen TNC31 (Hochgeschwindigkeits-Packetradio).
Canon Powershot A80 2004: Experimente mit Digitalfotographie. Zum Beispiel ein Panoramabild meines Funkzimmers. Die Canon A80 ist leider 2017 kaputt gegangen.
  Verbesserung der "ax25-tools-0.0.8" für Linux. Wurden in SuSE 9.2 übernommen.
Messung des Azimutdiagramms einer LPDA 2004: Messung des Azimutdiagrammes einer LPDA (Titanex DLP18). Näheres bei DK0TE.
UNUN Aufbau eines Unun 1:9 und Messungen daran.
WRC Mechanik WRC 11.2003-02.2005: Fernsteuerung einer Web-Kamera und des Velux-Sonnenschutzes, Helligkeits- und Temperatursensor.
Ein Video (3 MB, MPEG2) vom ersten Test, der Quelltext und der Schaltplan.
4NEC2 Zusammenarbeit mit Arie Voors. Das Programm "4NEC2" kann jetzt auch zusammen mit NEC 4.1 und NEC 4.2 eingesetzt werden.
Groundplane 2005: Untersuchung mit NEC4.1: Groundplane besser mit Erdnetz (Marconi) oder mit resonanten Radialen aufbauen?.
Balun 2005: Aufbau und Messung an einem 1:1 Balun.
S-Meter FT757GX 2005: Kalibrierung des S-Meter am Yaesu FT-757GX.
HF-Stromwandler 2005: Aufbau eines HF-Stromwandler.
Vertikal-Array Aufbau eines 40m-Vertikal-Array und Messungen daran. Entwicklung eines Breitband-Phasennetzwerkes
Dabei Vergleich der Simulation mit NEC 4.1 mit den Messergebnissen.
Abschwaecher April 2005: Schaltbares HF-Dämpfungsglied 0-81 dB mit Optimierung bis 500 MHz. Mit Messprotokollen.
Serieller Thermometer Interface zum Anschluss eines Thermometers an die Serielle Schnittstelle eines PC.
Hier der Schaltplan und der Quelltext des CGI-Programmes.
Die Schaltung wandelt das serielle synchrone Datenformat in eine Abfolge mehrerer asynchroner Zeichen für die serielle Schnittstelle (RS232) eines PCs.
Phasenmesser 2005: Ein tragbarer Phasen- und Amplitudenvergleicher zum Abgleich des Phasenschiebernetzwerkes einer phasengesteuerten Gruppenantenne.
Regenmesser Heizung 2005: Heizung für einen Regenmesser.
Quarzfilter Vermessung von Quarz-Empfangsfiltern. Bei dem Peak-Filter sind die Serienresonanz und die Parallelresonanz schön zu erkennen. Die Bandbreite des Notch-Filter beträgt 63 Hz.
Radialpflug 2005: Konstruktion eines mit einem Benzinmotor angetriebenen Pfluges zum Einpflügen von Radialen einer Groundplane-Antenne in den Boden.
Anwendung war bei der Vertikal-Antenne von DK0TE geplant. Leider kam es zu Verzögerungen und inzwischen ist mein Vater, als größte Hilfe, verstorben. Die Fräse ist inzwischen verkauft und tut hoffentlich dort gute Dienste.
Datenwandler 2006-2011: Entwicklung und Aufbau eines Datenwandlers für eine Wetterstation.
Rechnerschnittstelle 2006: Rechnerschnittstelle für ein Schalenanemometer der Firma Thies.
Barometer 2007: Entwicklung und Aufbau eines elektronischen Barometers.
Regenmesser Heizungsregelung Ende 2007: Entwicklung einer Pulspaket-Heizungsregelung für den Regenmesser an der ehemaligen Wetterstation.
WLAN Ende 2007: Wiederverwendung der 2,45 GHZ Helixantenne (siehe weiter oben) für eine WLAN-Anbindung.
Rotor KR400 Januar 2008: Interface zum Anschluss eines KR-400-Steuergerätes an einen KR-400RC-Rotor.
UMTS Parabolantenne 2009: Entwicklung einer Parabolantenne für einen UMTS USB-Stick.
Ultraschall Anemometer 2004-2008: Entwicklung und Aufbau eines Ultraschall-Anemometers.
Development of an Ultrasonic Anemometer.
VNA 2009: Aufbau und Vergleichstest eines DG8SAQ Vektor-Netzwerk-Analysators. Der Bausatz stammt von SDR-Kits. Inzwischen sind eine Menge Messbeispiele dazugekommen.
Rechnerschnittstelle April 2010: Erweiterung der Rechnerschnittstelle für ein Schalenanemometer zur Nutzung mit einem Anemometer von Peet Bros.
Messung der Bodenleitfähigkeit 2005: Vorbereitung zur Messung der Bodenleitfähigkeit und relativen Dielektrizitätskonstante bei Hochfrequenz.
Bodenleitfaehigkeitssonde 2010: Präzise Messung der Bodenleitfähigkeit und relativen Dielektrizitätskonstante bei Hochfrequenz.
Translation: Measurement of the ground (soil) conductivity and relative permittivity at high frequency using an open wire line (OWL).
Online-Rechner 2010: Online-Rechner zur Umwandlung der am Ende einer offenen Zweidrahtleitung im Boden gemessenen Impedanz in die Erdbodeneigenschaften (Leitfähigkeit σ und relativen Dielektrizität εr). Noch mehr Genauigkeit durch Berechnung des Endeffekts einer offenen Zweidrahtleitung.
Strahlungsschutz 2011: Lamellenschutzhütte für Wetterstation aus GFK-Laminat.
Ultraschall Anemometer 2010...2012: Weiterentwicklung des Ultraschall-Anemometers. - Advancement of the Ultrasonic Anemometer.
BananaPi as rotor proxy März 2015: Entwicklung eines Rotorproxy um zwei verschiedene Rotoren als eine Einheit (Azimuth und Elevation) im Netzwerk (ARSVCOM) verfügbar zu machen.
QS1R März 2015: Entwicklung einer Anbindung des WEBSDR von DK0TE an den vorhandenen und mit CW Skimmer Server gleichzeitig benutztem QS1R.
Messung an einem Dämpfungsglied Mai 2015: Messung an einem Dämpfungsglied.
FlexRadioConnect Interface Juli 2016 - September 2017, April 2022: Remote station controller.
OWL-CALC Januar 2017: Programm für Windows zum Herunterladen (mit Quelltext) zur Umwandlung der am Ende einer offenen Zweidrahtleitung im Boden gemessenen Impedanz in die Erdbodeneigenschaften (Leitfähigkeit σ und relativen Dielektrizität εr).
Translation: New offline programme for Windows to download (source included) on Measurement of the ground (soil) conductivity and permittivity with high frequency.
BalUn 1:16 März 2020: Breitbandantenne T2FD mit 1:16 BalUn für einen KiwiSDR.
EME Remotesteuerung Oktober 2022: Fernsteuerung für die Sat/EME-Station bei DK0TE.

Letzte Änderung am 10. Januar 2026


Startseite (Home)  |   Anbieterkennzeichnung (Legal notice)